多介質過濾器是利用兩種以上的不同濾料組合,在一定的壓力下,使原液通過該介質,去除雜質,從而使水質凈化達標。多介質過濾器主要是利用填料來降低水中濁度,截留除去水中懸浮物、有機物、膠質顆粒、微生物、氯嗅味及部分重金屬離子,是給水凈化系統中重要的一種水處理設備。常用的多介質過濾器濾料為:石英砂、錳砂、無煙煤、活性炭等。
設備主要技術參數
|
規格(mm) |
1000 |
1200 |
1500 |
1800 |
2000 |
2200 |
2600 |
3000 |
3600 |
|
|
料層厚度(mm) |
1200 |
|||||||||
|
設備濾速(m/h) |
10-15 |
|||||||||
|
過濾水量(m3/h) |
7.5 |
11 |
17.5 |
25 |
31.5 |
38 |
53 |
70 |
100 |
|
|
設備凈重(kg |
2046 |
3153 |
4710 |
6535 |
8550 |
10146 |
13850 |
19090 |
26790 |
|
|
運行重量(kg) |
2946 |
4533 |
6100 |
10335 |
13470 |
16380 |
23210 |
32400 |
47900 |
|
|
最大操作壓力 |
0.60Mpa |
|||||||||
|
截污容量 |
5~10Kg/m3(濾層) |
|||||||||
|
過濾壓頭損失 |
運行初始入口、出口壓差為0.02~0.04Mpa;過濾失效時入口、出口壓差一般≤0.10Mpa |
|||||||||
|
過濾精度 |
過濾前水中懸浮物 |
過濾后水中懸浮物 |
||||||||
|
≤20mg/L |
≤5.0mg/L |
|||||||||
|
20~50mg/L |
≤10.0mg/L |
|||||||||
|
50~200mg/L |
≤20.0mg/L |
|||||||||
|
清洗操作壓力 |
≤0.3Mpa |
|||||||||
|
清洗強度 |
10~15L/m2 · s |
|||||||||
|
清洗空氣壓力 |
0.05Mpa;最大不得超過0.10Mpa |
|||||||||
|
清洗空氣強度 |
60~80L/m2 · s |
|||||||||
|
清洗時間 |
20~30min |
|||||||||
多介質過濾器特點
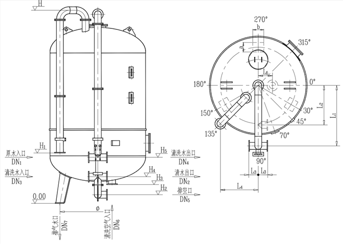
設備主要由罐體、布水系統、集水系統、濾料層、濾板水帽、承托層及罐體本體配套管路等組成。外部聯結原水進水、清水出水、反洗排水等主要管路和與其配套的控制閥、壓力表、取樣閥等。多介質過濾器一般采用活性炭等為濾料,采用壓力式過濾。
特點如下:
1、過濾面積大、處理水量大、運行效果好、濾料成本低。
2、采用雙濾料、降低運行阻力
3、濾料耐腐蝕、孔隙率高、截污容量大、密度適中、容易反沖洗
4、過濾器主體材質可采用不銹鋼304、316,碳鋼Q235,碳鋼Q235襯膠或襯塑,單臺處理水量為0.5-200噸。
5、截污能力強、水損失小、過濾效果好。
6、集水器可選用不銹鋼、ABS材質,壽命更長。
